Ce produit vous intéresse ?
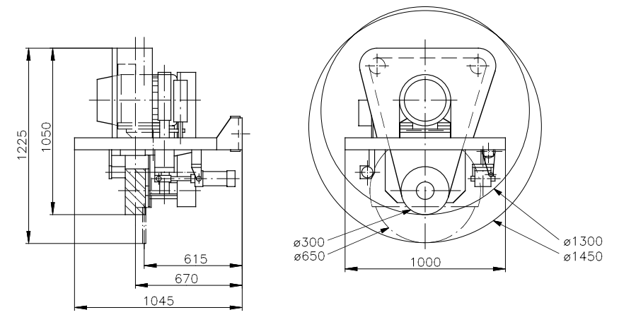
La KS-1200 est une tête de meulage combinée haute performance conçue pour les opérations de meulage de surface et de préparation de soudure sur cuves et viroles de grandes dimensions.
Grâce à la combinaison d’une bande abrasive, d’un disque de meulage et de brosses, elle permet de réaliser le meulage des surfaces, la reprise des soudures ainsi que la préparation de la racine de soudure (gougeage) et le meulage de chanfreins en forme tulipe.
Sa tête flottante et son système de pression pneumatique garantissent un suivi précis des irrégularités et une qualité de travail constante.
Polyvalente et puissante, elle est particulièrement adaptée aux environnements industriels exigeants et aux opérations intensives.








